Hết hàng
Shop bán những sản phẩm giá cực kì tốt và có tính cạnh tranh cao so với các shop khác, sản phẩm rất chi hài lòng

Bu lông A490, 7/8" (Heavy hex structural bolt)

MPN: Đang cập nhật
SKU: (Đang cập nhật...)
Xuất xứ: Đang cập nhật Tình trạng: Hết hàng Giao hàng: Theo thỏa thuận
Giá:
Liên hệ
Hotline / Zalo hỗ trợ: 09 62 68 79 11

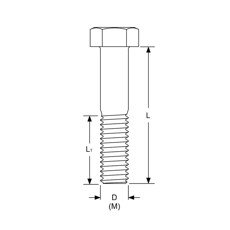
Bu lông kết cấu A490 / A490 Heavy hex structural bolts

Tiêu chuẩn (Kích thước): ASME B18.2.6

Size: 7/8"

Chiều dài: 2-1/4" ~ 10"

Chiều dài ren: LT = 1.5" (đối với bu lông ren lửng)

Bước ren: 9UNC

Loại ren: Ren lửng, ren suốt

Cấp vật liệu: ASTM F3125 Grade A490 type 1

Ký hiệu (Marking): A490

Xử lý bề mặt: Đen, mạ kẽm điện phân (xi kẽm), mạ kẽm nhúng nóng, Geomet/Dacromet hoặc xử lý bề mặt theo yêu cầu

Bu lông A490 được sử dụng kết hợp với đai ốc A563-DH  lông đền phẳng F436